49E1/S49 rails are mainly used for transporting railway rails, it can also be used for underground mining.
Kingrail Parts can also provide EN standard rails, including S49 rails, 60E1 rails, UIC60 rails, 54E1 rails, UIC54 rails, etc.
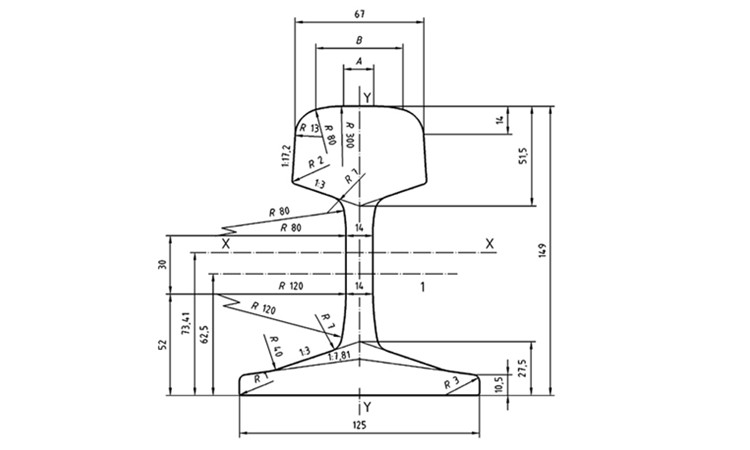
Specifications:
| Size |
Rail height(mm)
A |
Bottom Width(mm)
B |
Head Width(mm)
C |
Web Thickness(mm)
t |
Weight(kg/m) |
| 49E1(S49) | 149.00 | 125.00 | 67.00 | 14.00 | 49.39 |
Drawing:
Manufacturing process
Raw materials -- Pretreatment -- Refining -- Vacuum Degassing -- Continuous Bloom Casting -- Rolling -- Heat treatment -- Straightening -- Inspection -- Sawing and drilling -- shipping
Contact us
Please contact us for more information and quotation








Inquiry Now