50E2 50EB-T rail is mainly used as transport rail and can also be used in underground mining.
Kingrail Parts can supply a wide range of rails including light rails, EN standard rails such as 50E2 rails, heavy rails, crane rails, etc. with different standards and specifications.
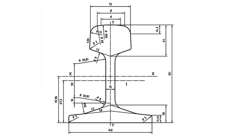
Specifications
|
Product Name |
50E2 rail |
||||||
|
Standard |
EN 13674-1-2003 |
||||||
|
Model |
DIMENSION |
Weight |
Material |
Length |
|||
|
A(mm) |
B(mm) |
C(mm) |
t(mm) |
(KG/M) |
(m/PC) |
||
|
50E2 rail |
72 |
151 |
140 |
15 |
49.97 |
R260/R350HT |
12-25 |
Drawings
Get More Services
Please contact us for more information and quotes.

Inquiry Now