The 47kg rail is the Australian standard rail, weighing 47kg per metre. It is widely used in various railway lines such as high-speed railways, standard railways and some industrial railways.
Kingrail Parts is a trusted and professional rail supplier in China. We can provide Australian standard rails in a wide range of sizes.
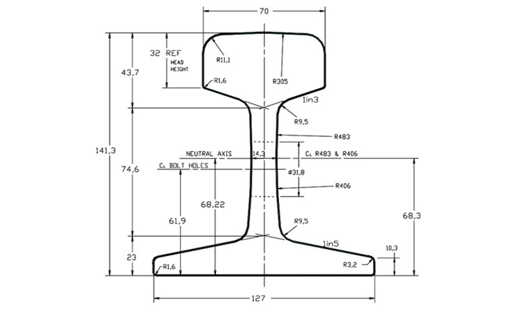
Specifications
|
Model |
DIMENSION |
Weight |
Material |
Length |
|||
|
A(mm) |
B(mm) |
C(mm) |
t(mm) |
(KG/M) |
(m/PC) |
||
|
47KG |
70 |
141.3 |
127 |
14.3 |
46.5 |
900A/1100 |
8-25 |
Drawings
Get More Help
Please contact us for more information and a quote.

Inquiry Now