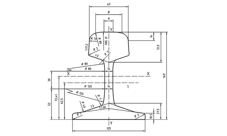
EN13674-1 49E1 Rail is a European standard that specifies the manufacturing, testing and performance requirements for rails. The standard covers a wide range of rail profiles, including 49E1 rails.
Kingrail Parts can supply a wide range of rails, including light rails, EN standard rails such as 49E1 rails, heavy rails, crane rails, etc., with different standards and specifications.
Specifications
Type: Heavy Rail
Material: R260/R350HT
Weight: 49.39kg/m
Standard: EN 13674-1-2003
|
Product Name |
49E1 rail |
||||||
|
Standard |
EN 13674-1-2003 |
||||||
|
Model |
DIMENSION |
Weight |
Material |
Length |
|||
|
A(mm) |
B(mm) |
C(mm) |
t(mm) |
(KG/M) |
(m/PC) |
||
|
49E1 rail |
67 |
149 |
125 |
14 |
49.39 |
R260/R350HT |
12-25 |
Drawings
Get More Services
Please contact us for more information and a quote.

Inquiry Now