BS100A rails are mainly used for mine tunnels, factory workshop transportation, lifting equipment transportation and the laying of railway dedicated lines.
Kingrail Parts can supply a variety of rails, including light rails, BS standard rails, such as BS100A rails, heavy rails, crane rails, etc., with different standards and specifications.
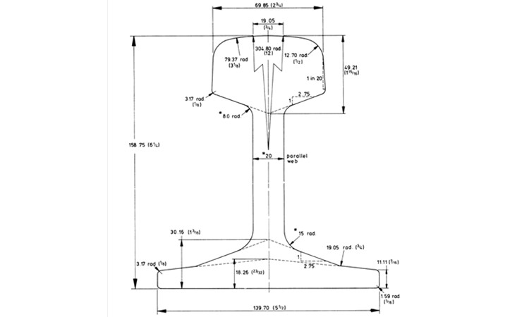
Specifications
|
Size |
Rail height(mm) |
Bottom Width(mm) |
Head Width(mm) |
Web Thickness(mm) |
Weight(kg/m) |
|
BS100A |
152.40 |
133.35 |
69.85 |
15.08 |
50.182 |
Drawings
Get more services
Please contact us for more information and quotes.

Inquiry Now