BS113A rails are used for mine railway lines or subways, etc. The material is 900A, the hardness is greater than 880N/mm2, and the length can be 8-25 meters.
Kingrail Parts can supply a variety of rails, including light rails, BS standard rails, such as BS113A rails, heavy rails, crane rails, etc., with different standards and specifications.
Specifications
Type: Heavy Rail
Material: 900A
Weight: 56.398kg/m
Standard: BS11:1985
|
Product Name |
BS113A Rail |
||||||
|
Standard |
BS11:1985 |
||||||
|
Model |
DIMENSION |
Weight |
Material |
Length |
|||
|
A(mm) |
B(mm) |
C(mm) |
t(mm) |
(KG/M) |
(m/PC) |
||
|
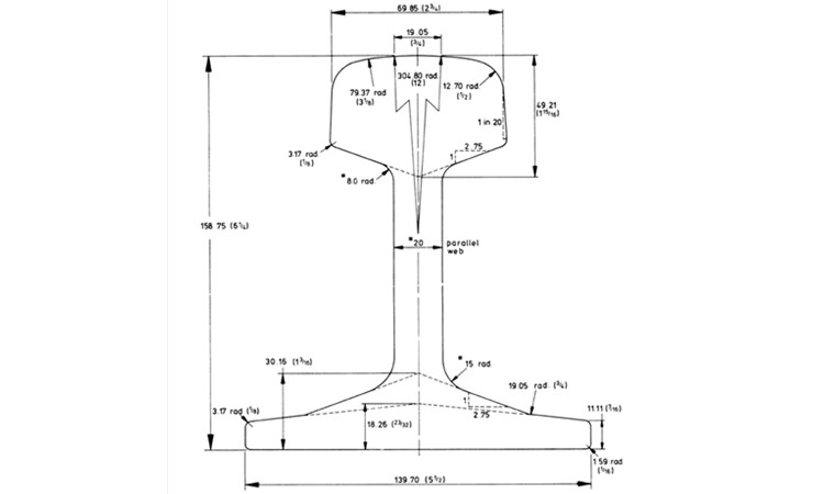
BS113A rail |
69.85 |
158.75 |
139.7 |
20 |
56.398 |
900A |
8-25 |
Drawings
Get More Services
Please contact us for more information and quotes.

Inquiry Now