BS75R rails are BS11-1985 standard, used for mine railway lines or subways, etc., with a material of 900A, a hardness greater than 880N/mm2, and a length of 8-25 meters
Kingrail Parts can supply a variety of rails, including light rails, BS standard rails, such as BS75R rails, heavy rails, crane rails, etc., with different standards and specifications.
Specifications
Specifications: BS75R
Material: 700, 900A
Standard: BS11
Length: 5-25 meters or other lengths as required by customers
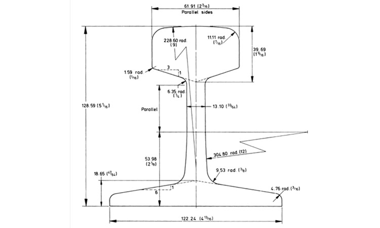
|
Size * |
Rail height(mm) A |
Bottom Width(mm) B |
Head Width(mm) C |
Web Thickness(mm) t |
Weight(kg/m) * |
|
BS75R |
128.59 |
122.24 |
61.91 |
13.10 |
37.041 |
Drawings
Get more services
Please contact us for more information and quotes.

Inquiry Now