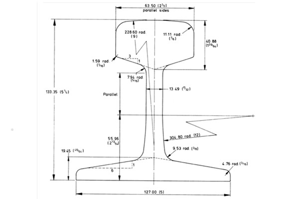
P30 rail is a kind of I-beam, which is widely used in railway, construction, mining and other industries. Kingrail Parts can provide high-quality P30 rails. ...
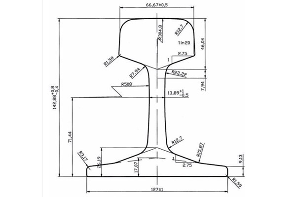
Kingrail Parts can supply a variety of rails, including light rail, heavy rail, crane rail, DIN536 A55 crane rail and other different specifications rails. ...
Kingrail Parts can provide you with a variety of rails, including light rails such as 6kg rails, heavy rails, crane rails, etc. with different specifications. ...
Kingrail Parts can provide you with a variety of rails, including light rails such as 6kg rails, heavy rails, crane rails, etc., with different specifications. ...
Kingrail Parts- KP70 crane rail is produced according to the YB/T5055-1993 standard or YB/T5055-2014 standard. We can provide high-quality KP70 crane rail. ...